Poniendo en marcha la maqueta Rotary 7A2 de la ETSIT UPM (2)

Hace casi un año surgió la idea y nos pusimos con ello, como contábamos en esta otra entrada. Una apasionante aventura… ¡una locura! Y seguimos en ello, pues como ya dijimos: ¡si no lo hacemos en el año del centenario de Telefónica! … ¿cuándo?

Como recordaréis, la iniciativa surgió en noviembre del 2023, a raíz de un reencuentro de los alumnos de la ETSIT que empezaron los estudios en 1983, de la mano de Javier García y el profesor Enrique Calleja, encargado del museo de la Escuela (Museo de Telecomunicaciones Profesor Joaquín Serna), y nos pusimos manos a la obra.

Durante estos meses hemos ido superando las dificultades que se nos han ido presentando, gracias a la colaboración desinteresada de diversas personas e instituciones.

El «know how»

A pesar de nuestra insistencia la búsqueda de expertos disponibles no dio más fruto, pero el entusiasmo y la voluntad de Miguel Ángel Sancho y Juan Pedro Alcaide apoyados por los demás ha ido supliendo esta carencia.

Esta circunstancia prueba fehacientemente lo importante que es, nunca nos cansaremos de repetirlo, conseguir y conservar el conocimiento residente en los veteranos. Aún en esta época de la información se corre el riesgo cierto de perder mucho «saber hacer» no escrito. Hay que hacer hablar a nuestros mayores mientras sea posible.

Y con ellos y un poco de voluntad se puede.

La maqueta

La maqueta fue montada en la escuela por acuerdo con la Fundación Telefónica (entonces Arte y Tecnología), a finales de 1996, y aunque algunos aseguran haberla visto operativa, lo cierto, y ahora podemos afirmarlo con conocimiento, es que solamente se preparó para que, girando sus ejes, se tuviera una idea de su sonoridad y supuesto funcionamiento.

Es una sección de conmutación equipada para 200 líneas del sistema Rotary 7A2 compuesta por diez bastidores en una fila que no se interconectaron entre sí en su montaje expositivo (al contrario que algunas otras cedidas posteriormente por la Fundación).

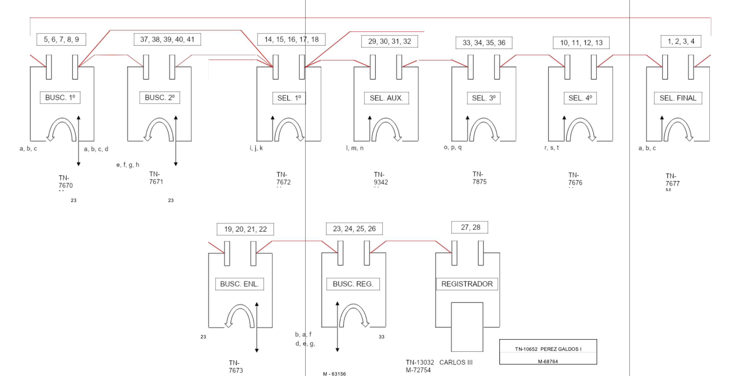
Cablear adecuadamente sus diez bastidores fue el primer gran reto a superar, y para ello era imprescindible disponer de la documentación correspondiente.

Los planos

Aquí se tocaron todos los palillos disponibles recurriendo a la Fundación Telefónica, al Museo Didáctico de las Telecomunicaciones de A Coruña, y a varias de las universidades que tienen maquetas similares en España, como la UC3 en su campus de Leganés o la ETSIST del campus Sur de la UPM y al museo de la UPNA de Pamplona. Y además a todos los seguidores de nuestro blog que fueron informados por nuestra anterior entrada.

De todos ellos, recibimos algo útil y aquí queremos manifestar nuestro agradecimiento. Lamentablemente los documentos más específicos de instalación y alambrado, para las características concretas de nuestra maqueta, cuyos bastidores, sabemos ahora a ciencia cierta, provinieron del desmontaje de la central urbana de Valencia/Pérez Galdós, puesta en servicio en diciembre de 1957, llegando a alcanzar 20000 líneas, de las cuales la mitad se desmontaron en septiembre 1990 y el resto probablemente en 1992.

Historia de la central Rotary urbana de Valencia/Pérez Galdós de la pág. 351 del «Evolución histórica de Centrales de abonado a 31.12.91» Ingª Redes de Acceso de Telefónica

La ausencia de esta documentación de detalle, lejos de rendirnos, nos forzó a emplear el método de la «prueba y error», que exigen tener disciplina y paciencia, dotes ambas que han demostrado con creces Juan Pedro y Miguel Ángel, consiguiendo identificar en las regletas superiores de cada bastidor los terminales en los que aparece cableados las diferentes máquinas.

Hay que destacar el importante trabajo de anotación y documentación realizado por Juan Pedro que dejará todo bien claro para los que, en el futuro, estudien esta maqueta. Reproducimos unos ejemplos:

Todo un arte.

El «parafinado»

Parece obvio y ni siquiera digno de mención, pero la especificidad del «hilo telefónico», los conductores de cobre que en su momento se aislaban entre sí con papel parafinado, de ahí su nombre a pesar de que ya hace muchos años que es el plástico el que recubre el cobre conductor, no se encuentra fácilmente. Ni siquiera ya en las centrales telefónica en esta época de la fibra óptica.

Menos más que como ya comentamos, gracias a los compañeros en activo y después de conseguir la preceptiva autorización de Telefónica y su Fundación, no sin hacer algunas llamadas y enviar sendos correos, conseguimos hacernos con un par de rollos, que recogimos por nuestros medios, que nos aseguran la realización de todo el alambrado que nos propongamos con soldador en mano o bien con el chipi y el chopo como luego veremos.

La alimentación

La avería del convertidor de CC para suministro de -48v… fue otra dificultad que nos hizo dar varias vueltas. Descartada la posibilidad de su reparación, y mientras empleábamos uno prestado se estudió la posible compra de uno nuevo, que no es fácil ni barato, pues es una tensión de suministro en desuso hasta el diseño especifico… Finalmente, ya después del verano, nos planteamos apoyarnos en uno de los dos imponentes convertidores, que suministran hasta 25 amperios en continua (nuestro consumo no llega a los 3 A), de los que dispone la centralita electrónica de Ericsson ASB 900 expuesta al lado de nuestro equipo Rotary. Y funcionó. Con la salvedad de mejorar la alimentación en alterna para superar el pico de arranque al encendido que hace saltar la protección térmica.

Arrancando motores

Y nuestro motor de fila, arranca y no para… incansable se mantiene en funcionamiento con un nivel de ruido aceptable a pesar de la falta de engrase y limpieza.

Ingeniería inversa

Sin planos de detalle es obligado hacer «ingeniería inversa». Método de prueba y error. Es lo que hay. Con los apuntes, preparados por Juan Pedro, obtenidos de la observación de la maqueta se preparó un detallado documento que junto con los manuales recopilados va marcando las pautas.

En sucesivas jornadas de trabajo, muchas de ellas en solitario y otras con la compañía de Juan Pedro, incluso durante los calores del mes de agosto, (y a pesar del cierre parcial de la escuela) Miguel Ángel, paso a paso, ha ido descubriendo los puntos de conexión imprescindibles para completar el establecimiento de las llamadas entre dos líneas locales a las que se conectaron un par de aparatos telefónicos del modelo Heraldo. Y lo consiguieron.

A finales del mes de junio, nuestra maqueta, con un mínimo alambrado entre bastidores, a pesar de la avería de muchas de sus máquinas, con el adecuado aislamiento de las mismas y la selección cuidada de las que funcionan en la mayoría de los casos es capaz de establecer la conversación entre las líneas elegidas.

Tonos y señales

Pero ¿y las señales?, los tonos y la corriente de llamada. Pues no están. Y es que nunca se instalaron en nuestra maqueta.

Para completar un escenario básico para poder realizar demostraciones de cómo funcionaban estos vetustos equipos es imprescindible disponer del suministro de los tonos y señales telefónicos. El tono de marcar, y el de llamada, el de ocupado y el de línea muerta… y la corriente de llamada que hace sonar el timbre del teléfono llamado.

En los años 20 del siglo pasado cuando la tecnología de nuestro Rotary era lo más puntero, la electrónica no había llegado aún a la telefonía. Los tonos se generaban mediante pesados motores de cc que girando a la frecuencia adecuada generaban los tonos bases (400 Hz) que después, mediante ingeniosos conjuntos de levas accionaban unos interruptores produciendo las cadencias de tono y silencio tan característicos.

Estas señales se distribuían por toda la central de manera que estaban disponibles en las diferentes máquinas (registradores, selectores…) para hacerlas llegar a los aparatos de abonado en el momento adecuado.

Llegados aquí, nos planteamos cómo seguir. Evidentemente lo ideal sería encontrar los generadores e interruptores lentos correspondientes al propio sistema 7A2, si es que se conserva alguno en algún rincón. Obviamente sólo Telefónica podría disponer de ello. Y en su caso, otra dificultad sería el traslado e instalación en la sala.

Había que intentarlo. Y nos pusimos a ello gestionando la solicitud ante los responsables de la Fundación Telefónica.

Pero, en paralelo, nuestros colegas iniciaron también el estudio y diseño de otras alternativas que la moderna electrónica nos ofrecen. Así en poco tiempo dispusimos de la oferta de Pedro Lallana, primero y de Emilio Borque, después de sendos diseños integrados de la generación de señales y corriente de llamada, basadas en Arduino. Pequeños diseños que, por un precio moderado, pueden, sin duda resolver el problema.

Dejamos constancia de ello aquí:

Generador de tonos y señales diseñado por Pedro Lallana
El diseño de Emilio Borque

En paralelo la Fundación nos ofreció buscar los elementos requeridos en sus almacenes concertando una visita al de Leganés a finales de julio.

En el almacén de la Fundación Telefónica

Indescriptible lo que podemos encontrar en el almacén de Leganés. Uno se retrotrae al pasado telefónico de hace 90 años, contemplando todo tipo de equipos de conmutación y transmisión… Una pasada. Hay material para dotar varios grandes museos tecnológicos y para desarrollar cientos de investigaciones y tesis sobre las históricas piezas que allí se acumulan. Pero vamos al grano.

Ángel Rincón, el veterano encargado del almacén, que ha participado en prácticamente todos los montajes de maquetas cedidas por la Fundación desde sus inicios, rápidamente entendió lo que necesitábamos y enseguida nos ofreció y recomendó diferentes posibilidades.

Ya nos tenía apartados hasta siete semibastidores de Pentaconta de interruptores lentos y nos enseñó las máquinas originales del Rotary así como el pequeño módulo de tecnología PC32 que integraba todas las funciones que necesitábamos.

También nos surtió de otros pequeños elementos imprescindibles para realizar las conexiones como es debido, como la pareja de chipi y chopo. Aunque el Rotary empleaba la soldadura de terminales los equipos Pentaconta usaba el enrollado del hilo, práctica mucho más limpia.

Evidentemente, con estas facilidades la decisión estaba clara, y optamos por asegurar el suministro mediante la generación en la unidad de señales de PC32 y además contar con el vistoso semibastidor de interruptores lentos para secuenciar alguna señal (y si se quiere incluso implementar las temporizaciones).

Las levas funcionando

Y ya que estábamos, porqué no dotar de contadores de tarifa del servicio medido… para lo que necesitaríamos un cuadro de contadores de tasa (o al menos unos pocos de ellos).

Ya lo teníamos todo, al menos en el papel.

Completando el equipo

Tras la visita al almacén, nos temíamos que las previsibles autorizaciones formales se retrasaran en exceso, pero sorprendentemente en esta ocasión, parece que los hados se han puesto de nuestro lado… y, en pocas semanas, a primeros de octubre, allí estábamos en la calle Esteban Terradas de Leganés (¡qué adecuado el nombre de la calle!) en la puerta del almacén, Miguel Ángel y yo con mi furgoneta dispuestos a trasladar todos los equipos que habíamos identificado previamente.

En concreto

  • Caja de Fusibles 7A 2 y otra de Pentaconta
    Cuadro contadores de servicio medido
    Semi Bastidor de Interruptores lentos Pentaconta
  • Cuadro de señales y tonos PC32
    Regletas de repartidor de abonado
  • 1 Tarjeta de tonos XP55-0534 y otra  XP55-0535
  • Documentos: Libro de dibujos del sistema 7A2 y carpeta con varios planos esquemáticos y alambrados del sistema 7A2 y del sistema Pentaconta.

Dicho y hecho… desde esa fecha ya tenemos todo lo necesario en el museo de la escuela.

Y seguimos trabajando…

Ya tenemos el suministro de tonos y señales operativo desde el módulo de PC32. después de haber tenido que aprender algo sobre dicho sistema y sus planos, para lo que recurrimos a la ayuda de Emilio Borque. Hubo que sustituir alguna tarjeta averiada y nos queda instalar la de «nivel muerto» además de colocarlo en su lugar definitivo sobre uno de los bastidores del Rotary.

Y ya tenemos el objetivo marcado de tenerlo todo dispuesto para poder realizar demostraciones a primeros de noviembre.

Para ello, ya tenemos identificado los siguientes puntos de acción que tenemos que acometer para disponer de cuatro líneas con sus correspondientes teléfonos entre los que se puedan realizar llamadas simultáneamente con toda la casuística de tonos y señales, lo que permitirá realizar unas primeras demostraciones.

Conseguido lo anterior, se abren nuevas posibilidades que, de momento, quedarían para más adelante si los responsables del museo y de la escuela lo quisieran, como interconectado con algunas de las centralitas expuestas en el mismo museo o incluso alguna conexión al exterior.

Ejemplo de llamada completada

La limpieza y ajuste

De cualquier manera, esos posibles planes a futuro obligarían necesariamente a acometer una limpieza del equipo a fondo.

Todos los elementos están bastante sucios del polvo acumulado e incrustado tras treinta años sin mantenimiento. Es un proceso delicado que requiere un producto detergente especial sucedáneo del ahora prohibido derivado del freón y el empleo por personal experto de aspiradora y pequeños cepillos, lija fina, aceite de máquina y grasa consistente.

Tras dicha limpieza será preciso el ajuste mecánico de al menos un conjunto de las máquinas y relés que componen la maqueta e intervienen en el establecimiento de las llamadas de demostración.

Continuará…

Avatar de Desconocido

Inquieto e interesado en casi todo...

Tagged with: , , , ,
Posted in Conmutación, Cultura, Empresas, Memoria del Trabajo, Museos, Protagonistas, Telefonía, Universidad
3 comments on “Poniendo en marcha la maqueta Rotary 7A2 de la ETSIT UPM (2)
  1. Avatar de Juan Antonio Campos Juan Antonio Campos dice:

    Impresionante trabajo! Ánimo!!

    • Hola y gracias de nuevo Alkov.
      Estamos preparando un nuevo articulo sobre los sistemas de conmutación automática del tipo rotatorio en la que haremos referencia a vuestra estupenda web y al texto «The 7A Rotary Switch».
      Saludos
      —–
      Hello and thanks again Alkov.
      We are preparing a new post about rotary automatic switching systems in which we will refer to your wonderful website and the text «The 7A Rotary Switch».
      Regards

Deja un comentario

¡Siguenos!

Introduce tu dirección de correo electrónico para seguir este Blog y recibir las notificaciones de las nuevas publicaciones.

Únete a otros 358 suscriptores
Síguenos en X
Todas las entradas
Licencia de Creative Commons
"Historias de la telefonía y las telecomunicaciones en España" está bajo una licencia de Creative Commons Reconocimiento-NoComercial-CompartirIgual 4.0 Internacional.

Descubre más desde Historias de la telefonía y las telecomunicaciones en España

Suscríbete ahora para seguir leyendo y obtener acceso al archivo completo.

Seguir leyendo