Por José Luis Casado*.
La industria de telecomunicaciones española merece un reconocimiento que en muchos casos no llegó. Es una tarea pendiente a la que queremos aportar nuestro granito de arena desde este blog con aportaciones como la nos trae José Luis Casado que nos cuenta una exitosa experiencia en la que fue protagonista.
Cuando se repasan hechos de la vida pasada, terrible manía que surge cuando ya no se tiene vida futura, puede uno descubrir realizaciones importantes, bien por su impacto para algún colectivo, bien por satisfacción personal, en las que no había reparado al estar diluidas en la corriente de actividades cotidianas de los muchos años de existencia.
En mi caso, una de esas actividades destacadas de mi vida profesional puede ser mi contribución como ingeniero de CITESA en el proyecto del primer teléfono inalámbrico que se homologó en España, el Telyco DELTA. En este escrito voy a contar cómo fue el proceso para su aprobación por la DGTel y su posterior introducción comercial.
En 1987 Telefónica decide, cambiando su opinión hasta ese momento, incorporar en su catálogo teléfonos inalámbricos para hogares y oficinas, y nos pide a CITESA, su suministrador principal de aparatos telefónicos, que le hiciéramos propuestas de ese tipo de equipos y, además, en plazos muy ajustados.
La petición nos coge en CITESA con el pie cambiado pues, a pesar de que los teléfonos sin hilos eran muy comunes en Estados Unidos y cada vez más usados en Europa, habíamos confiado ingenuamente en que la postura de nuestro cliente era firme y no teníamos en marcha ningún proyecto de ese tipo de terminal.
El incorporar una nueva tecnología por simple que sea en una empresa es un proceso que lleva años. Por ello, mientras en CITESA constituíamos el equipo humano y el instrumental necesarios para desarrollar nuestros propios terminales, para atender la urgente petición de Telefónica establecimos un plan de contingencia consistente en identificar alguna compañía asiática que nos pudiese suministrar un producto que, con las imprescindibles adaptaciones, cumpliese los estándares de calidad, funcionales y técnicos requeridos por el cliente y para su uso en España.
El director de marketing de CITESA, Lorenzo Martínez, fue el responsable de buscar la empresa y el teléfono subsiguiente. Tras sopesar alternativas en varios países asiáticos, finalmente se eligió a la empresa taiwanesa SAMPO(1) como candidata. Y de entre el catálogo de sus teléfonos inalámbricos, seleccionamos a priori un par de ellos que consideramos los más factibles de adaptar a las especificaciones técnicas españolas y que pensamos encajarían en los gustos de nuestro cliente. Y nos pusimos a trabajar incluso antes de cerrar un acuerdo con SAMPO.
Como los plazos apremiaban, CITESA decidió terminar de negociar el contrato de suministro directamente con SAMPO en Taipéi. A tal efecto, en julio de 1988 nos desplazamos a Taiwán el director de marketing, Lorenzo Martínez, el de fabricación, Fernando García Manso, y yo como responsable técnico. Estimamos que una semana de reuniones sería más que suficiente, por lo que acordamos con SAMPO la fecha de la firma formal del contrato ocho días después de nuestra llegada.
La semana de negociaciones con los representantes de SAMPO fue muy dura. Empezábamos a las 8h30m, y acabábamos hacia las nueve de la noche, comiendo en la sala de reuniones pollo frito de un Kentucky Fried Chicken cercano y bebiendo mucho té. Cuando terminó la jornada del sábado, que también trabajamos, el director general de SAMPO que todo el tiempo se mostraba poco amable con nosotros y parecía una persona muy desconfiada, quizás porque su inglés era muy básico y continuamente pedía a los suyos que le tradujesen, tuvo un gesto de cortesía y nos preguntó si teníamos planes para el domingo. Le contestamos que descansaríamos y que estaríamos con amigos nuestros de Taipéi.
Y no era mentira. En las primeras visitas de personas de CITESA a Taiwán, nos apoyamos en un chino taiwanés/español, Costard Cheng, para la logística de alojamiento, turismo, etc. Costard Cheng era amigo de un compañero de CITESA y se movía como pez en el agua en Taipéi.
En 1987 Taiwán había empezado su proceso de “transición democrática” desde el régimen presidencialista nacionalista y de partido único que imperaba desde Chiang KaiShek hacia un sistema más abierto: se autorizaron los partidos políticos, se anuló la pena de muerte, el nuevo presidente era ya natural de la isla, cuando todos los presidentes anteriores eran de familias venidas de China continental a pesar de que constituyeran solamente el 15% de la población total. Pero a pesar de este comienzo de democratización, el “ambiente” que se respiraba en la administración, en la calle, etc. me recordaba al de los años 60 en España que yo había conocido.
Costard Cheng era de familia influyente del régimen. Su padre había sido general del ejército de Chiang KaiShek y había enviado a cada uno de sus hijos a que estudiasen una carrera universitaria en un país diferente, todos occidentales. Costard Cheng se había licenciado en no sé qué en la Universidad de Salamanca. Hablaba español perfectamente, pero con acento chino (la ele en vez de la erre) y tenía un extenso vocabulario del argot popular castellano. Él fue el que nos dio a conocer y nos recomendó que comprásemos como regalo para los compromisos que tuviésemos en España relojes chinos copia de los relojes de lujo, regalos que tanto se han popularizado posteriormente entre todos los turistas españoles que viajan a Asia. Y les llamaba “pelucos”, que es como parece es el nombre popular de reloj en Castilla. Era gracioso oír “peluco” con acento chino. Después de los varios viajes mío y de algún compañero más a Taiwán, en CITESA todos llamábamos “peluco” a los relojes.
Así que el domingo nos reunimos con Costard Cheng que había organizado una visita a la residencia oficial del expresidente Chiang KaiShek en Shilin donde vivió sus últimos años y que desde entonces se usaba tan solo para reuniones del partido, el Kuomintang, estando rigurosamente cerrado al público. Costard Cheng nos recogió en el hotel el domingo por la mañana y nos llevó primero a un cuartel, de donde salimos escoltados por dos motoristas para dirigirnos a la residencia de Chiang KaiShek.
Cuando el lunes volvimos a reunirnos con SAMPO, el director general nos preguntó si nos habíamos aburrido mucho el domingo. Al contestarle que habíamos visitado la residencia oficial del expresidente Chiang Kai-Shek, dijo: “¡Ah! Lo habrán visto desde la colina de enfrente, ¿verdad?”. “No, hemos estado dentro porque tenemos amigos en el ejército”, le respondimos. Se quedó de piedra. A partir de entonces, cambió su actitud hacia nosotros.


Al día siguiente, 12 de julio de 1988, martes, tal como estaba planificado, se procedió a la firma formal del acuerdo de suministro de teléfonos inalámbricos entre SAMPO y CITESA. El signatario del acuerdo por parte de SAMPO fue su presidente, lo cual indica la importancia que le daban al hecho.
Para presidir el acto de la firma, SAMPO colocó encima de la mesa las banderas de la República de China (Taiwán) y la de España. La bandera de España era la preconstitucional, la del aguilucho. No dijimos nada.
El 26 de diciembre de 1988, la DGTel resolvió homologar el teléfono sin hilos Telyco Delta para su comercialización y uso en España. La resolución fue publicada en el BOE del 24 de febrero de 1989, sólo 7 meses después de la firma del acuerdo entre SAMPO y CITESA en Taiwán.
José Luis Casado
Ingeniero de Telecomunicación y maratoniano
Septiembre 2023
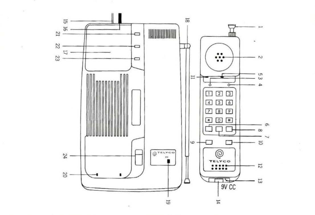
Características del teléfono inalámbrico Telyco DELTA
De manera resumida se destacan a continuación las principales características del teléfono.
Características de Radiofrecuencia:
12 canales de RF para la comunicación entre portátil y base. Banda de 31 a 40 MHZ, con modulación analógica según estándar CT0. 64.000 K códigos de seguridad entre base y móvil para evitar intromisión de comunicaciones indeseadas.
Funciones telefónicas:
Circuito de transmisión electrónico, intercomunicación entre portátil y base por canal de RF, con altavoz en la base para conversación en manos libres, marcación mediante teclado generador de tonos de multifrecuencia, y memoria de hasta 10 números telefónicos para marcación automática, receptor señal de llamada entrante electrónico tanto en el portátil como en la base.


Podemos ver y/o descargar el manual completo en este enlace.
Nota:
(1) SAMPO. «Sampo Corporation», importante empresa taiwanesa dedicada a la fabricación de electrodomésticos y aparatos electrónicos. Su web es esta .
(*) CASADO MORENO, José Luis (Málaga 1947). Es Ingeniero de Telecomunicación. ETSIT de Madrid, 1972. Durante 25 años trabajó en el grupo Alcatel, concretamente en Alcatel CITESA (Málaga), como ingeniero de diseño, Director de I+D, y también Director corporativo de Ingeniería de la División de Teléfonos Residenciales del grupo. Previamente fue Director de Bioingeniería del hospital POVISA (Vigo), donde gestionó la instalación del primer escáner TAC de España. Director General de Thomson Telecom España (Málaga) durante 7 años y Director mundial de Desarrollo de Producto del grupo Thomson Telecom. En 2009 puso en marcha el Centro Tecnológico HABITEC (Málaga) para la digitalización de la edificación y lo dirigió hasta su jubilación (2013). Fue profesor de electrónica en La Escuela de Ingenieros Técnicos Industriales y en la Escuela Politécnica de la Universidad de Málaga durante 8 años. Ha sido Decano del Colegio profesional de Ingenieros de Telecomunicación en Andalucía de 2008 a 2016. Además, es corredor de fondo con marca de 2h51m39s en la maratón.




RSS: Entradas
Bonita e interesante historia, y sobre todo, el cambio de actitud del presidente de SAMPO tras saber que los españoles tenían amigos influyentes…